ULZC型
重 錘 物 位 計
使 用 說 明 書
遼陽博海儀表有限公司
一、功能及特點
ULZC型重錘式物位計由現場的傳感器和控制室的控制儀表兩部分組成。可測量粉狀、顆粒狀、塊狀固體物料以及某些液體液面和界面,可顯示料位高度、體積、重量。
傳感器特點:
☆ 結構緊湊、不銹鋼部件、機構動作流暢。
☆ 工業用高品質銀觸點行程開關,可靠性高。
☆ 自帶水平儀,安裝調平方便。
☆ 霍爾元件傳感器,壽命長久。
☆ 大功率減速電機,耐用,扭矩大。
☆ 帶有埋錘保護系統,防止斷繩和機構損傷。
☆ 帶有現場調試開關,方便換繩和檢修。
控制儀表特點:
☆ 16位工業單片機,性能穩定。
☆ 帶有過流檢測功能,自動斷電,保護電機永不燒毀。
☆ 橫式光柱顯示物位的測量百分比及重錘的運動狀態。
☆ 上下限報警及故障報警,根據故障代碼可初步判斷故障原因。
☆ 手動測量和自動定時測量,可快速切換。定時時間0-9999分鐘。
☆ 遠程按鈕、遠程高電平等遠控功能。
☆ 4-20mA電流環有內部和外部供電兩種方式,方便配接計算機系統。
☆ 參數設置靈活,方便用戶用于不同料倉,節省成本。
二、技術參數
1、傳感器參數
測量范圍:0~99.99米
介質溫度:-30~150℃
測量精度:±5cm
探測速度:7.5米/分鐘
鋼 絲 繩:直徑1.5mm ,結構7*19,材質304/316,承重157KG
法蘭尺寸:外徑160mm 孔距130mm
電氣接口:M20X1.5全金屬,適合6-12mm電纜
配線距離:1000米
重錘重量:1.5kg
整機重量:25KG
功 耗:90W
2、控制儀表參數
電源電壓:220VAC±10% 50HZ
功 耗:5W
報警輸出:上限、下限、故障報警,獨立繼電器常開觸點。
觸點容量:3A/220VAC
輸出信號:4~20mA ±0.2%
定時時間:0-9999分鐘
外形尺寸:高80mm 寬160mm 長125mm
開口尺寸:高76mm 寬152mm
三、使用環境及選型
☆ 爆炸性、腐蝕性、及較大沖擊環境不適用
☆ 在重錘探測過程中,探測通道有障礙物也不適用。
☆ 電動減速機等通常的震動不會影響儀表使用,但震動強度加大可能會引起儀表出現故障,在振動篩子或震動加煤機等振動幅度較大的振動源附近不要安裝使用。
☆ 在測量口容易結冰,影響重錘運動的環境不要安裝使用
☆ 料倉壓力為±2kpa的環境可正常使用。
本物位計選型很簡單,客戶只需提供測量范圍及介質溫度、介質類型。介質的類型,可能會影響重錘的形狀,訂貨時需說明。
訂貨例子:ULZC-16
說明:ULZC型 量程16米。
四、安裝及接線
1、傳感器的安裝:
☆ 安裝時嚴禁對鋼絲繩的損傷行為,如磕碰、打折、磨損。
☆ 安裝的位置應避開進料口和下料口,有吹灰裝置的還要避開吹灰管。
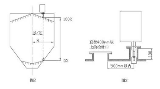
☆ 物料的堆積角會變化,盡可能的選擇近似等高的位置安裝。(如圖2)
☆ 重錘探測過程中有左右搖擺的可能,因此在探測通道周圍不能有障礙物,比如料倉內有補強結構,應遠離。
☆ 在距離安裝點500mm內,****設置檢修口,方便檢查和更換鋼絲繩,如圖3。如沒有條件設置檢查口,只能拆下儀表進行檢修。
☆ 安裝時,必須保證垂直于水平面,可參考儀表自帶的水平儀,使重錘帶動鋼絲繩運動時自然下垂,不受阻礙。
2、接線:
☆ 傳感器與控制儀表配線距離不要超過1000米,信號線5根(1#~5#),電源線4根(6#~9#)☆ 傳感器上標配兩個M20X1.5的電氣接口,可容納6-12mm的電纜,電纜單芯要0.5平方 以上 ,可使用1根4芯電源線電纜和1根5芯帶屏蔽的信號線電纜。
▶接線時嚴格對應線的顏色和端子號,否則通電后有可能會燒壞傳感器和控制表。
▶因電動機會產生感應電壓,傳感器接地標志可接大地或金屬倉體。
▶電源****嚴格區分零線、火線,保證過流保護時,傳感器上不帶有交流電。
控制儀表端子功能說明:
☆ 13~17號為信號線,對應傳感器1#~5#。
☆ 2號和3號可以接遠程高電平,控制啟動,DC24V 持續時間1秒,2正3負。
☆ 1號和2號可以接遠程開關,無源觸點,控制啟動,持續時間1秒。
☆ 5號和6號可以采用外部DC24V供電,輸出4~20mA信號,5正6負。
☆ 4號和5號為內部DC24V供電,輸出4~20mA信號,4正5負。
☆ 11和12為故障報警常開觸點。觸點容量AC220V/3A。
☆ 7和8為上限報警常開常閉觸點,觸點容量AC220V/3A。
☆ 9和10為下限報警常開常閉觸點,觸點容量AC220V/3A。
☆ 19~22為傳感器電源線,對應傳感器6#~9#。
☆ 23和24為系統總電源,AC220V /50HZ,要求電壓穩定,過高或過低可能引起故障。
接線完成后,上電之前做以下檢查:
1、 仔細檢查傳感器和控制儀表的9根線是否連接正確。
2、 檢查傳感器上的2個扭子開關狀態,接線盒上部的“降錘-停止-升錘”應在中間“停止”狀態,側面的“檢修開關”應在“運行”狀態。
3、 控制儀表的參數設置必須連接傳感器才能完成,或由我公司發貨前設置好。
4、 檢查傳感器的線盤鋼絲繩有無松散,脫離滑輪,如有異常,請參考第六章“故障與檢修”。
五、控制儀表的操作:

儀表上電后數碼管顯示****量程,光柱顯示100%,測量可通過以下幾種方式實現,所有啟動操作持續時間要在1秒以上:
☆ 按住面板上“啟動”鍵。
☆ 端子1和2,外接遠程開關。
☆ 端子2和3,外接遠程高電平DC24V。
☆ 設置自動測量定時參數SS。自動測量時,以上3種方式可同時生效。
☞:當料倉進料時****關閉自動測量,防止埋錘,快速開啟和關閉自動測量的方式為:按“手動-自動”鍵。可控制自動指示燈亮滅,自動指示燈亮,表示自動測量生效。如果未設置定時時間,則此鍵無效,按動會有一聲“滴”鳴叫。
因控制儀表和傳感器安裝在不同地點,判斷是否啟動了測量,可通過觀察數碼管數值和光柱的變化來確定:啟動測量時,光柱會從100%開始減小到某值,代表重錘下降的過程,然后再從某值增加到100%,代表重錘上升的過程,達到100%后 代表測量完成,此時光柱和數
碼管顯示正確的測量值。
1、按鍵介紹
☆ 【設置/移位】:進入設置菜單,在設置菜單狀態,使閃爍位來回移動。
☆ 【消音/加數】:。報警狀態消音,設置狀態修改當前閃爍位數值。
☆ 【確認/單位】:設置狀態確認當前參數并顯示下個參數,待機狀態可切換顯示單位。
☆ 【手動/自動】:待機狀態可切換自動測量,自動時指示燈亮。
☆ 【啟動】:待機時可手動啟動一次測量。
首先,按【設置】進入菜單,顯示“P 0000”首位閃動,直接按【確認】進入用戶菜單,顯示“A ****” 首位閃動,按【移位】可循環閃動,按【加數】鍵使閃動位增加1,設置好定時時間后,按【確認】后出現下個參數設置,依此類推,直至出現“ESC”按【確認】,退出菜單,進入正常工作模式。
2、參數代碼:
序號
代碼
范圍
定義
說明
1
P
0000
用戶密碼
按【確認】進入設置菜單
2
A
0000-9999分鐘
定時時間
設置0000,關閉自動測量
3
h
00.00-訂貨量程
降錘高度
該值必須小于等于訂貨量程
4
Hh
h-99.99米
料倉高度
該值必須大于等于h(降錘高度)
5
H
00.00-99.99米
上限報警
6
L
00.00-99.99米
下限報警
7
C
0-9999.99立方米
物料體積
8
d
0-9999.99噸
物料重量
9
ESC
退出設置
● 關于h和hh的用法:
h限定重錘下降的高度,超過h值,重錘會自動返回,輸出4ma。
Hh代表料倉高度,測量的****值,會影響4-20mA輸出。
正常情況下h和hh是相等的,特殊情況可以靈活運用這兩個參數達到測量要求,節省客戶運行成本:
例如:已有1臺量程為16米的ULZC-1型重錘物位計,那么h、Hh初始值均為16.00。
① 客戶想用這臺物位計測量8米的料倉,此時就可以把h和Hh改為08.00,投入使用。
② 客戶想測量32米的料倉,而此料倉料位變化只在0-16米之間,那么就可以把h設為16.00,把Hh設為32.00,投入使用。如果要全程測量32米,那就只有另行訂貨了。
③ 料倉高度16米,但是底部出口有1米高的障礙物,為防止掛住錘頭,可以設置h為15.00,Hh為16.00,這樣錘頭下降15米 就自動返回,但是輸出4-20mA還是按16米計算,缺點就是下部的1米永遠測不到。
● 關于定時時間:
定時時間單位為分鐘,具體設置時 要大于儀表的測量時間,例如h值為16.00,那么測量時間約為(h*2)/7.5=4.27分鐘,那么定時時間**小應為5分鐘。可按實際生產需要設置定時時間,越大儀表壽命越長。
● 關于故障代碼:
當傳感器發生故障時,控制儀表故障燈亮起,同時內部蜂鳴器響起,端子11和12常開觸點閉合,數碼管會顯示故障代碼E1~E7,此時如想取消報警音可按“消音”鍵。但是只****控制儀表的報警狀態,傳感器故障不會****。可參考第六章“故障與檢修”處理。
六、故障與檢修
1、故障處理
故障碼
原因
解決辦法
E1
返回時錘頭卡住
人工處理
物料埋錘
此時可暫時消音,不做任何處理,因本儀表帶有埋錘保護裝置,隨著物料增加,對鋼絲繩會產生更大壓力,只要不斷電,傳感器會自動調整,保護鋼絲繩不被拉斷,當物料逐漸下降露出錘頭時,啟動測量便可恢復正常狀態。物料埋錘時,如果啟動了自動測量,會自動取消,防止錘頭未露出時繼續測量,再次引發報警,預計物料下降露出錘頭時,可手動啟動測量一次,再啟動自動測量。
E2
鋼絲繩斷線
必須檢修后才可投入使用
E3
鋼絲繩方向反或接線錯誤
檢修
E4
下降時錘頭卡住
人工處理
E5
傳感器斷電
檢查電源線或二次表故障。
E6
電機堵轉超過4秒
鋼絲繩方向反或拉力開關失效,檢修或返廠維修。
E7
電機電流過大
電機損壞或其他,返廠維修。
2、檢修步驟:
● 準備工作:(帶電檢修時傳感器端子6#、7#、8#、9#為AC220V,小心觸電)
① 二次儀表不要斷電,關閉自動測量狀態指示燈。
② 打開現場傳感器外殼,將“檢修開關”向下撥到“檢修”位置。
③ 此時“倒順開關”可控制電機降錘或升錘,撥到“降錘”位置,此時“繞線盤”逆時針旋轉,使重錘下降一段距離后,立即將“倒順開關”撥回中間“停止”檔。
● 將萬用表撥到“通斷檔位”準備測量:(也可不測量端子,直接觀察狀態燈)
測量端子
操作
狀態
狀態燈
1#和5#
拉力燈
導輪在水平實線位置
斷
滅
向下拉重錘,約10KG力量,使導輪滑動到水平虛線位置
通
亮
2#和5#
到頂燈
下支臂在虛線位置
斷
滅
向上抬下支臂到水平實線位置
通
亮
3#和5#
到底燈
上支臂在實線位置
斷
滅
向下按導輪,使上支臂在虛線位置
通
亮
4#和5#
計數燈
用手轉動不銹鋼計數輪
通-斷
循環
亮-滅
循環
**后檢查一下導輪、計數輪轉動是否靈活,上支臂水平時,缺口要和限位螺絲剛好吻合。檢修完畢,將“倒順開關”撥到“升錘”,繞線盤順時針旋轉,直到重錘上升到頂部,電機會自動斷電,此時將“倒順開關”撥回中間“停”,再將“檢修開關”撥到“運行”,蓋上外殼。
注意:鋼絲繩因為某些原因發生反向纏繞時“倒順開關”可能不起作用,此時需拆下錘頭,人工調整好鋼絲繩方向。
● 更換鋼絲繩:
定期檢查鋼絲繩磨損情況,防止斷繩發生,更換鋼絲繩步驟:
1、 “檢修開關”撥到“檢修”,“倒順開關”撥到“降錘”,使重錘下降一段距離,撥回中間“停止”。
2、 從檢修口取出錘頭,打開錘頭螺紋連接,取下錘頭,將鋼絲繩向上全部拉出。
3、 取下繞線盤中心的內六角螺絲,向外拉動繞線盤,注意里面的定位銷不要丟失,繞線盤背面也有1顆內六角螺絲 用于鎖緊鋼絲繩,新鋼絲繩鎖緊后,裝回繞線盤。
4、 “倒順開關”撥到“順”,繞線盤順時針轉動,開始繞線,遇到鋼絲繩打結時,應停止,理順后再繞,**后預留1.5-2米,將繩頭依次穿過導輪、計數輪,從法蘭中心穿出,從檢修口取出鋼絲繩,裝上錘頭,放入檢修口。
注意:鋼絲繩必須從線盤左側出線到導輪,如從線盤右側出線,需調整到左側出線。
5、 “倒順開關”撥到“升錘”,使錘頭升到頂部,撥回中間“停止”,再將“檢修開關”撥回“運行”,蓋上外殼。
遼陽博海儀表有限公司
地址:遼寧省遼陽市白塔區前進街8號
電話:0419-2504028
網址:LYBHYB.CN

版權所有:遼陽博海儀表有限公司 傳真:0419-2802869 手機:15941981330 18740205418 地址:遼寧省遼陽市白塔區暗渠街8-4 QQ:2381221243 郵編 111000 備案號:遼ICP備15002555號-1
遼公網安備21100202000190
技術支持:龍采科技集團